产品展示
KV-20,天工STNC,梭阀
首页 / 产品中心 / STNC气源处理元件
产品标题:KV-20,天工STNC,梭阀
产品ID:VIB20090926125213734
品  牌:STNC索诺天工
所在地:中国 上海
价  格:面议 (大量采购价格面议)
库存状态:货期待查
更新日期:2025-12-17 21:58:15
咨询电话:(+86)021-51699285
咨询Q Q: 2695337323
产品简述

200909/2009092309120520948.gif 公司已通过 ISO9001:2000国际质量体系认证、欧盟ROHS指令认证及CE认证、美国UL认证

 公司不断引进国际先进生产技术与设备,现有厂房 20000平方米,各类设备515台,其中数控车床76台,加工中心6台,精密自动轴芯机2台以及电脑控制检测设备3台、超声波清洗机2台,确保了高精度、高效率、高品质生产。


 

产品详情

梭阀
   本系列产品相当于两个单向阀组合而成,有两个输入口和一个输出口,在气动系统中,它既可用于执行回路中,又可用于控制回路中,起逻辑“或”的作用。

 

订购代码


                  

■ 技术参数

 

项目\ 规格
接管口径
通径(mm)
工作介质
压力范围
开启压力
使用温度
KV-06
G1/8
3
空气
0.05~1.2 MPa
0.05MPa
-5~60℃
KV-08
G1/4
6
KV-10
G3/8
8
KV-15
G1/2
10
KV-20
G3/4
15
KV-25
G1
20

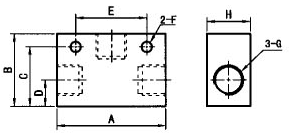
■ 外形尺寸

                 

 

规格
A B C D E F G H
KV-06
40 26 21 8 25
φ4.3
G1/8 16
KV-08
52 35 25 11 35
φ5.5
G1/4 22
KV-10
75 50 41 18 48
φ7
G3/8 30
KV-15
75 50 41 18 48
φ7
G1/2 30
KV-20
110 70 58 22 72
φ7
G3/4 40
KV-25
110 70 58 22 72